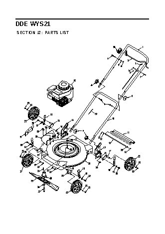
DDE WYS21 деталировка
DDE WYS21 деталировка
Инструкция / Руководство по эксплуатации
Категория: Оборудование Садовая техника
Бренд: DDE
Тип устройства: Газонокосилка
Количество страниц: 2
Размер файла: 156.8 Кб
Категория: Оборудование Садовая техника
Бренд: DDE
Тип устройства: Газонокосилка
Количество страниц: 2
Размер файла: 156.8 Кб