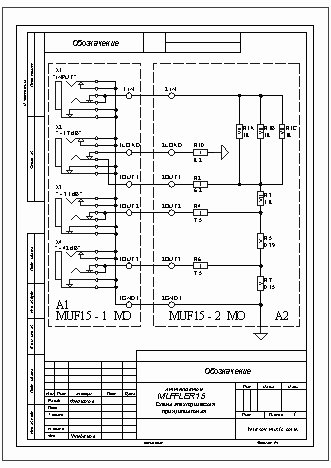
YERASOV MUFFLER 15
YERASOV MUFFLER 15
Инструкция / Руководство по эксплуатации
Категория: Музыкальное оборудование Звуковое оборудование
Бренд: YERASOV
Тип устройства: Аттенюатор
Количество страниц: 1
Размер файла: 83.73 Кб