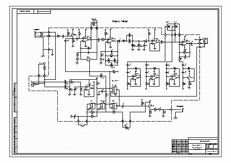
YERASOV HM-3
YERASOV HM-3
Инструкция / Руководство по эксплуатации
Категория: Музыкальное оборудование Звуковое оборудование
Бренд: YERASOV
Тип устройства: Гитарный эффект
Количество страниц: 1
Размер файла: 58.35 Кб
Категория: Музыкальное оборудование Звуковое оборудование
Бренд: YERASOV
Тип устройства: Гитарный эффект
Количество страниц: 1
Размер файла: 58.35 Кб