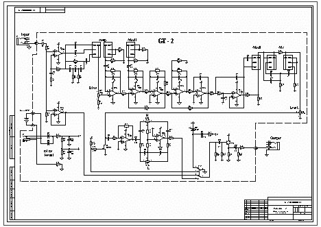
YERASOV GT2

YERASOV GT2

YERASOV GT2

Инструкция / Руководство по эксплуатации

Категория: Музыкальное оборудование Звуковое оборудование

Бренд: YERASOV

Тип устройства: Эмулятор лампового усилителя

Количество страниц: 1

Размер файла: 109.89 Кб