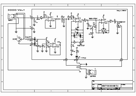
YERASOV 3000 VOLT

YERASOV 3000 VOLT

YERASOV 3000 VOLT

Инструкция / Руководство по эксплуатации

Категория: Музыкальное оборудование Звуковое оборудование

Бренд: YERASOV

Тип устройства: Гитарный эффект

Количество страниц: 1

Размер файла: 103.18 Кб