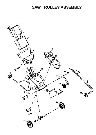
ECHO С1200200 (деталировка)
ECHO С1200200 (деталировка)
Инструкция / Руководство по эксплуатации
Категория: Оборудование Инструменты / Контрольно-измерительные приборы
Бренд: ECHO
Тип устройства: Бензомоторный резчик
Количество страниц: 1
Размер файла: 158.38 Кб